Přijímač

Za školních let běžný radiopřijímač z 30. let, pochopitelně morse.

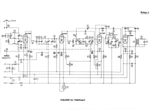
Po roce 1963 přestavěný inkurantní bateriový přijímač Torn Eb,
(zpětnovazební, původní rozsah 100 kHz - 7 MHz, 4x RV2P800) na elektronky 6F32.

schema Torn Eb

Uvedené dosud vlastním, v chodu